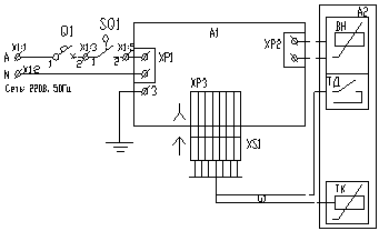
Электрооборудование КШО-Э
?Быстрый вопрос в компанию Электропринцип. Мы перезвоним вам в ближайшее время.
Защита от автоматических сообщений
CAPTCHA
Введите слово на картинке*

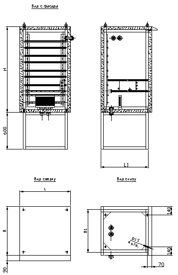
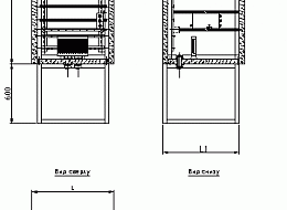
КШО-Э

КШО-Э

КШО-Э производства компании ЭП

КШО-Э шкафы утеплённой серии с внутренним обогревом.

КШО-Э используются как несущая и защитная конструкция. 

Регионы применения КШО-Э

  • Сибирь;
  • Дальний Восток.

Заказ КШО-Э

Цена КШО-Э формируется из ряда факторов: габарит КШО-Э, исполнение напольное или навесное и принципиальная схема. Купить КШО-Э у нас влюбое время в течении рабочей недели. Возможно изготовление КШО-Э различного размера.

У наших сотрудников Вы можете получить каталог с описанием КШО-Э, фото КШО-Э и любую необходимую информацию.

Технические параметры КШО-Э

  • рабочая температура до -60С;
  • наружной эксплуатации;
  • напряжение постоянное до 1,5 кВ;
  • напряжение переменное ло 1 кВ;
  • номинал до 160А;
  • частота до 1000 Гц.

Конструктив КШО-Э построен по принципу сэндвич-панелей.

Описание КШО-Э предоставляется по запросу.

КШО-Э применяются в:

  • нефтяной промышленности
  • газовой промышленности.

Доставка КШО-Э

КШО-Э перевозится на любом виде транспорта. Погрузка КШО-Э осуществляется за болты.

Обратная связь