Электрооборудование КШО
?Быстрый вопрос в компанию Электропринцип. Мы перезвоним вам в ближайшее время.
Защита от автоматических сообщений
CAPTCHA
Введите слово на картинке*

КШО

КШО

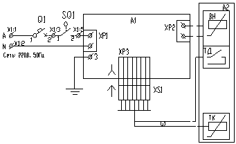
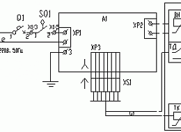
КШО производства компании ЭП

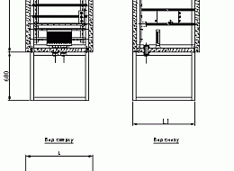
КШО утеплённый шкаф с обогревом. Поизводится наружной установки с применением технологии  сэндвич — панелей. 

Толщина стен КШО допускается трех размеров 30, 50, 80 мм.

Заказ КШО осуществляется

  • по запросу;
  • по письму в свободноой форме;
  • по звонку (если Вы постоянный заказчик).

Описание КШО предоставляется по запрсу.

Габарит КШО 500*400*400 мм. Размер КШО указан минимальный.

Собственное производство позволяет изготавлять КШО любого габарита и конструктива. 

Заказ КШО

Купить КШО можно обратившись к нашим сотрудникам в любое время в рабочий день.

Цена КШО предоставляется по следующим документам
  • официальный запрос на фирменном бланке
  • опросный лист или принципиальная схема.

Доставка КШО

Доставка до транспортной компании осуществляется бесплатно. Отгрузки производятся два раза в неделю.

Обратная связь