Электрооборудование ЩУП
?Быстрый вопрос в компанию Электропринцип. Мы перезвоним вам в ближайшее время.
Защита от автоматических сообщений
CAPTCHA
Введите слово на картинке*

ЩУП

ЩУП

ЩУП — нку производства компании ЭП

Назначение ЩУП

ЩУП - это щит управления блока линейных потребителей.

Щиты серии ЩУП сконструированны ка ктиповые устройства для зданий блок-боксов (БЛП, 2БЛП).

ЩУП применяются в нефтегазовой промышленности при комплектовании НКУ.

ЩУП используются для управления несколькими электродвигателями.

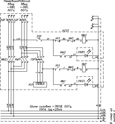
ЩУП имеет АВР (100А) на вводе и шесть отходящих линий по 25А.

Описание ЩУП предоставляется по запросу

Внешний вид ЩУП

Заказ ЩУП осуществляется путем предоставления заявки, запроса, принципиальной схемы или опросного литса. Купить ЩУП можно в любое время с 9 до 18.

Цена ЩУП определяется по принципиальной схеме.

Схема электрическая принципиальная ЩУП предоставляется по запросу.

Доставка ЩУП до транспортной бесплатно.
Обратная связь