Электрооборудование УДХ
?Быстрый вопрос в компанию Электропринцип. Мы перезвоним вам в ближайшее время.
Защита от автоматических сообщений
CAPTCHA
Введите слово на картинке*

УДХ

УДХ

УДХ производства ЭП

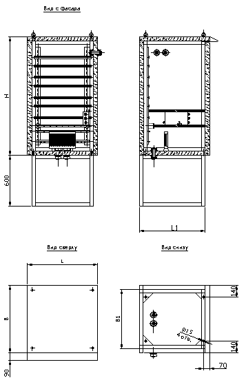
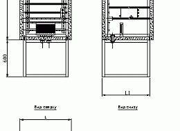
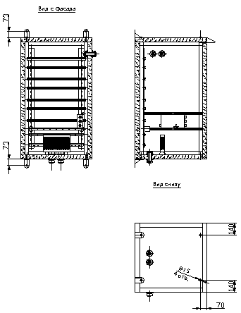
УДХ утеплённый обогреваемый шкаф.

УДХ производятся для наружной эксплуатации. УДХ используются для создания микроклимата для технологического оборудования. Корпус обшивается из нутри сендвич панелями (ПКМ50). Максимальная толщина до 80 мм. Корпус изготовляется из оцинкованного и черного металла. Минимальная температура эксплуатации -65С.

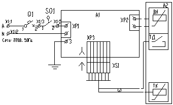
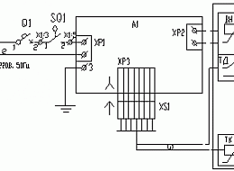
УДХ выполняют функции

  • управления и защиты;
  • автоматизации.

Шкаф УДХ является типовым устройством. Техническое описание УДХ предоставляется по запросу. Цена УДХ зависит от принципиальной схемы. Вы всегда можете купить УДХ обратившись к нашим сотрудникам. 

Габарит УДХ

1600*1200*800 мм (указан максимальный размер УДХ)

По пожеланию заказчика возможно изготовление любого габарита УДХ.

Цена УДХ зависит от большого количества технических факторов.

По спец запросу возможно выполнение УДХ панельного типа.

Доставка и хранение УДХ

Перевозятся УДХ в различном положении при соответствующей упаковке.  Хранение УДХ возможно на открытой площадке. Погрузка УДХ осуществляется за рым-болты.

Обратная связь